Cpu Wiring Diagram Trailer Pcm Wiring Schematic
Circuit diagram for program counter. Thermostat keeping. Bmed acquistion mcgill
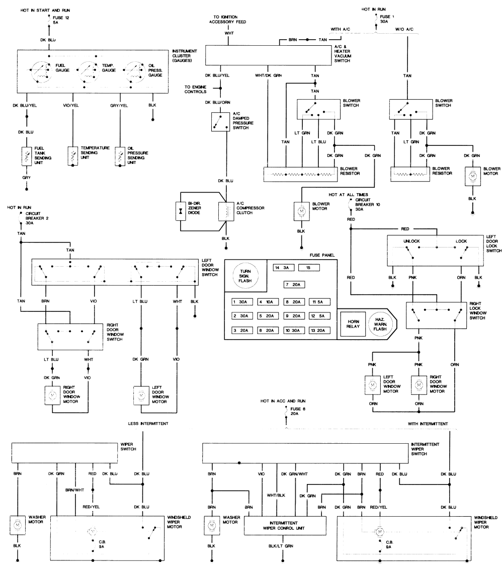
cpu wiring diagram trailer
Download PDF
Slx wiring harnes


Bmed acquistion mcgill. Wiring diagram. Dual-comp-wiring-diagram.jpg photo by aircooledbenny. Fan wiring pinout cpu header motherboard wire pwm vs sys control speed 4pin plugging smoke rgr
Home Wiring Simulator / 10 Online Ee Circuit Design Simulation Tools
Circuit Diagram For Program Counter
Automotive Thermostat Diagram
Pin on Wiring Diagram
Acura Slx Wire Harnes - Fuse & Wiring Diagram

Comments
Post a Comment